首页 -> 登录 -> 注册 -> 回复主题 -> 发表主题
光行天下 -> 光电资讯及信息发布 -> 串联电阻作用? [点此返回论坛查看本帖完整版本] [打印本页]

探针台 2022-01-03 05:04

串联电阻作用?

在很多电路中都会串联小阻值的电阻,别小看它们,其实作用很大。 Am=D kkP%  
KfpDPwP@  
1、SPI信号线 1{\{'EP{  
Ezw(J[).C  
(3YqM7cqt  
GFd~..$  
;n?72&h  
It,m %5 Py  
zh7#[#>t  
]eA<  
SPI信号上串联电阻,一般是几十欧姆左右,一般有如下几个作用: IxC/X5Mp^q  
.-[uQtyWW  
])paU8u  
Qd"{2>  
1)阻抗匹配。因为信号源的阻抗很低,跟信号线之间阻抗不匹配,串上一个电阻后,可改善匹配情况,以减少反射。 5fi6>>  
IE*GF27n  
AnVj '3  
Qo+_:N  
2)SPI的速率较高,串联一个电阻,与线上电容和负载电容构成RC电路,减少信号陡峭,避免过冲,过冲有时候会损坏芯片GPIO,当然对EMI也有好处,尤其是高速电路。 )%p.v P'p  
L12m ;  
.Lz\/ OS  
PZ2$ [s0W  
3)调试方便,现在的芯片很多是BGA、QFN封装,串联一个电阻,调试时用示波器抓取波形方便。 <]I[|4J 7  
)2T?Z)"hO  
xi=Z<G  
/C"dwh"``  
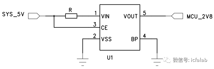
2、LDO输入端 l<  8RG@  
l{wHu(1  
hPtSY'_@_  
kOR5'rh  
H?tonG.^(  
wWm 1G)  
vU Bk oC2Q  
1c);![O  
`-!t8BH  
@2Xw17[f35  
>*rsRR  
当LDO的VIN absolute maximum接近电源电压时,这时候又不想换高规格的LDO,为了节省成本,这时可以串一个小阻值电阻,能吸收一部分电压和电流,当电源端出现更大的浪涌时,电阻会身先士卒,代价更小。 TTcMIMyLT  
_U)BOE0o  
假设LDO击穿,VIN和GND短路,因为串联电阻R的存在,也会避免电源SYS_5V与GND的短路。 P6w!r>?6N  
3、TVS前后串联电阻 clK3kBh~&  
zR:Mg\  
tU7,nE>p  
TVS串联电阻一般有两种接法,图A电阻在TVS前,图B电阻在TVS后,两种电路使用场景是不一样的。 u )+;(Vd  
先问大家一个问题,电阻和TVS那个抗浪涌能力强,答案毋庸置疑,当然是TVS。 TNBFb_F  
1)对图A来说,首先要考虑浪涌大小,如果不大,可以选择一个合适功率的电阻,电阻在TVS前面,会吸收很小一部分的电流,浪涌电流IPP小了之后,对应TVS的Vc(钳位电压)也会变小,对后端负载的保护更好。 f h05*]r  
lot7SXvK  
2)对图B来说,TVS首先吸收大部分的浪涌电流,部分残压或者残流,会经过电阻R2,进行二次的分压限流,可以更好的保护后端负载。如果后端负载远大于R2,分压限流也就微乎其微了,R2其实也就没啥作用了。半导体工程师半导体经验分享,半导体成果交流,半导体信息发布。半导体行业动态,半导体从业者职业规划,芯片工程师成长历程。公众号    
查看本帖完整版本: [-- 串联电阻作用? --] [-- top --]

Copyright © 2005-2025 光行天下 蜀ICP备06003254号-1 网站统计